DewCal® für industrielle Anwendungen
Für die Qualitätssicherung bei Verzinkungsprozessen mit
Feuerbeschichtungsanlagen (FBA) sowie zur Erzeugung definierter
Materialeigenschaften müssen exakt befeuchtete Prozessgase
verwendet werden.
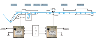
Für die genaue, prozessabhängige Vorgabe der benötigten Wassermengen, sind neben dem Wissen über die materialspezifischen Wasserbedarfe auch Informationen über die Gasverteilung- und Bewegung im jeweiligen Ofenraum erforderlich. Hierzu wurden Untersuchungen mit Argon- Testgas durchgeführt. Veröffentlichung „Falk et al_Spektrometert-2013-QS-FBA.pdf“ Vertriebspartner: SURTEC RESEARCH |
![]() |






